電動調節蝶閥
產品型號:ZAJW
發布時間:2009-11-25
ZAJW電動調節蝶閥由DKJ角行程電動執行機構和蝶閥組成,它與電動單元組合儀表配合使用。具有結構簡單、口徑大、重量輕、操作方便等優點。廣泛應用于冶金、電站石油、化工等部門。適用介質,煤氣、含塵氣體、煙道氣。
下一個產品:蝸輪法蘭硬密封蝶閥
上一個產品:法蘭式硬密封保溫蝶閥
相關產品:
ZAJW型電動調節蝶閥概述
ZAJW型電動調節蝶閥由DKJ角行程電動執行機構和蝶閥組成,電動執行機構分電子式電動型(DZ型)、電動型(DP型),DZ型直接接收調節儀表或計算機控制信號,DP型需與伺服放大器配套使用,方能實現自動調節功能,蝶閥部件具有流通能力大,壓降損失小,開啟靈活、結構緊湊等特點,該類產品可廣泛應用于冶金、電力、化工等工業部門作流體壓力、流量、放散等使用。非密封型電動空氣調節蝶閥,電動空氣調節蝶閥,非密封型蝶閥。ZAJW型電動調節蝶閥具有結構簡單、口徑大、重量輕、操作方便等優點。廣泛應用于冶金、電站石油、化工等部門。本公司具有雄厚技術實力和豐富的閥門制造經驗,擁有一支追求卓越,不斷創新的優秀團隊,專心致力于工業閥門的研發與制造。公司加工設備先進,檢測手段齊全,具有嚴格的品質管理和質量保證體系,所有產品都建有可追溯性,完整的質量檔案,為完善的售后服務提供堅實的基礎。
ZAJW型電動調節蝶閥主要用途
各種工業自動化生產的管道流量、壓力、溫度的控制。例如:電力、冶金、石化、環保、能源管理、消防系統等。
ZAJW型電動調節蝶閥規格與技術參數
| 公稱通徑mm | 50 | 80 | 100 | 125 | 150 | 200 | 250 | 300 | 350 | 400 | 450 | 500 | 600 | 700 | 800 | 1000 | 1200 | 1400 | 1600 | 1800 | 1900 | 2000 |
| 額定流量系數kv | 85 | 225 | 340 | 500 | 770 | 1360 | 2130 | 3060 | 4160 | 5450 | 6900 | 8500 | 12200 | 16600 | 21700 | 34000 | 49000 | 66600 | 87000 | 110000 | 123000 | 136000 |
|
配用電動執 行機構型號 |
DKJ | |||||||||||||||||||||
| 公稱壓力(MPa) | 0.6 | |||||||||||||||||||||
| 介質溫度℃ | 常溫-20℃~+200(鑄鐵),-40~+450(鑄鋼),中溫-40~+450(鑄不銹鋼) | |||||||||||||||||||||
| 轉角范圍 | 平行閘板0~70 0 ,傾斜閥板0~60 0 | |||||||||||||||||||||
| 流量特性 | 近似百分比 | |||||||||||||||||||||
| 接管法蘭 | 按JB78-59中對夾式法蘭連接 | |||||||||||||||||||||
| 動作時間 | 25 | |||||||||||||||||||||
| 閥體材質 | Ht200,35,ZG230-450,1Cr18Ni9,ZG1Cr18Ni9Ti,ZG1Cr18Ni12Mo2Ti | |||||||||||||||||||||
ZAJW電動調節蝶閥執行機構主要技術參數
| 型號 | DJK-110 | DJK-210 | DJK-310 | DJK-410 | DJK-510 |
| 輸入信號 | DC0~10mA,DC4-20mA | ||||
| 輸入電阻Ω | 200 | ||||
| 輸出轉角 0 | 0~90 | ||||
| 輸出力矩N.m | 40 | 100 | 250 | 600 | 1600 |
| 電源 | 220V,50Hz | ||||
ZAJW電動調節蝶閥主要技術性能指標
| 項目 | 指標值 |
| 基本誤差% | ±8.0 |
| 回差% | 6.0 |
| 死區% | 5.0 |
| 額定行程偏差% | 4.0 |
| 允許泄漏量L/H | 平行閥板:2×10 -2 ×額定容量,傾斜滑板:5×10 -3 ×閥的額定流量 |
ZAJW電動調節蝶閥允許壓差與執行機構選型
|
公 稱 通 徑 mm |
配用執行機構 | |||||||||||
| DJK-110 | DJK-210 | DJK-310 | DJK-410 | DJK-510 | DJK-610 | |||||||
| 00 | 700 | 00 | 700 | 00 | 700 | 00 | 700 | 00 | 700 | 00 | 700 | |
| 50 | 28.1 | 1.948 | ||||||||||
| 80 | 11.0 | 0.488 | ||||||||||
| 100 | 7.127 | 0.252 | ||||||||||
| 125 | 3.19 | 0.128 | 8.08 | 0.325 | ||||||||
| 150 | 2.21 | 0.075 | 5.60 | 0.189 | ||||||||
| 200 | 0.983 | 0.031 | 2.512 | 0.079 | ||||||||
| 250 | 4.05 | 0.103 | ||||||||||
| 300 | 2.33 | 0.059 | ||||||||||
| 350 | 1.75 | 0.037 | ||||||||||
| 400 | 2.648 | 0.060 | ||||||||||
| 450 | 2.120 | 0.042 | ||||||||||
| 500 | 1.718 | 0.031 | ||||||||||
| 600 | 0.927 | 0.0178 | ||||||||||
| 700 | 0.682 | 0.0098 | ||||||||||
| 800 | 1.14 | 0.020 | ||||||||||
| 1000 | 0.619 | 0.0103 | ||||||||||
| 1200 | 0.504 | 0.016 | ||||||||||
| 1400 | 0.371 | 0.0106 | ||||||||||
| 1600 | 0.251 | 0.0076 | ||||||||||
| 1800 | 0.177 | 0.005 | ||||||||||
| 1900 | 0.151 | 0.0042 | ||||||||||
| 2000 | 0.129 | 0.0036 | ||||||||||
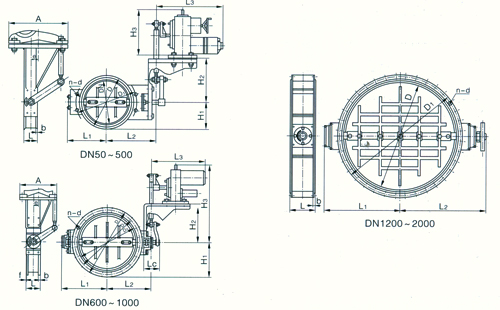
ZAJW電動調節蝶閥結構尺寸圖

ZAJW電動調節蝶閥外形尺寸
|
公稱 通徑 |
D | D 1 | A | e | b | L | L 1 | L 2 | L 3 | H 1 | H 2 | H 3 | n-d | 配執行機構 |
| 50 | 110 | 245 | 30 | 60 | 92 | 139 | 357 | 55 | 299 | 270 | 4-14 | DKJ-210 | ||
| 80 | 125 | 150 | 245 | 30 | 60 | 92 | 139 | 357 | 62.5 | 299 | 270 | 4-18 | DKJ-210 | |
| 100 | 145 | 175 | 245 | 30 | 12S | 60 | 102 | 149 | 357 | 72.5 | 299 | 270 | 4-18 | DKJ-210 |
| 125 | 175 | 200 | 245 | 30 | 12 | 60 | 117 | 168 | 357 | 87.5 | 299 | 270 | 8-18 | DKJ-210 |
| 150 | 200 | 225 | 245 | 30 | 12 | 60 | 130 | 181 | 357 | 100 | 299 | 270 | 8-18 | DKJ-210 |
| 200 | 255 | 280 | 245 | 30 | 12 | 70 | 172 | 221 | 357 | 127.5 | 299 | 270 | 8-18 | DKJ-210 |
| 250 | 310 | 335 | 300 | 36 | 14 | 70 | 197 | 258 | 507 | 155 | 340 | 298 | 12-18 | DKJ-310 |
| 300 | 362 | 395 | 300 | 36 | 14 | 80 | 227 | 283 | 507 | 181 | 340 | 298 | 12-23 | DKJ-310 |
| 350 | 412 | 445 | 300 | 36 | 14 | 80 | 252 | 290 | 507 | 206 | 340 | 298 | 12-23 | DKJ-310 |
| 40 | 462 | 495 | 365 | 45 | 16 | 100 | 296 | 348 | 529 | 231 | 400 | 381 | 16-23 | DKJ-410 |
| 450 | 518 | 550 | 365 | 45 | 16 | 100 | 321 | 371 | 529 | 259 | 400 | 381 | 16-23 | DKJ-410 |
| 500 | 558 | 600 | 365 | 45 | 16 | 100 | 346 | 396 | 529 | 284 | 400 | 381 | 16-23 | DKJ-410 |
| 600 | 755 | 706 | 365 | 45 | 30 | 150 | 480 | 418 | 530 | 377.5 | 863 | 482 | 20-25 | DKJ-410 |
| 700 | 860 | 810 | 365 | 45 | 32 | 150 | 530 | 531 | 530 | 430 | 863 | 482 | 24-25 | DKJ-410 |
| 800 | 975 | 920 | 420 | 51 | 34 | 200 | 595 | 586 | 681 | 487.5 | 917 | 480 | 24-30 | DKJ-410 |
| 1000 | 1175 | 1120 | 420 | 51 | 36 | 200 | 735 | 721 | 681 | 587.5 | 917 | 480 | 28-30 | DKJ-510 |
| 1200 | 1400 | 1340 | 60 | 45 | 250 | 906 | 980 | 32-34 | DKJ-510 | |||||
| 1400 | 1575 | 1520 | 60 | 25 | 300 | 965 | 1012 | 36-30 | DKJ-610 | |||||
| 1600 | 1785 | 1730 | 60 | 25 | 350 | 1065 | 1112 | 40-30 | DKJ-610 | |||||
| 1800 | DKJ-610 | |||||||||||||
| 1900 | 2100 | 2020 | 60 | 25 | 350 | 1217 | 1315 | 44-30 | DKJ-610 | |||||
| 2000 | 60 | DKJ-610 |