SEG41W衛生級不銹鋼隔膜閥
產品型號:SEG41W
發布時間:2016-11-29 10:55:00
SEG41W衛生級不銹鋼隔膜閥
下一個產品:EG11W內螺紋隔膜閥
上一個產品:英標常開式氣動襯膠隔膜閥
相關產品:
SEG41W衛生級隔膜閥概述:
衛生級隔膜閥專用于控制制藥、飲用食類介質的各類管路或設備上作啟閉及節流用。 適用溫度:≤120℃、≤150℃(按照隔膜材料) 壓力等級:PN(MPa) 0.6 1.0 1.6
SEG41W衛生級隔膜閥主要性能規范
設計與制造:BS5156
結構長度:BS5156
法蘭連接尺寸:BS4504、DIN2532、JIS B2212、ANSI B16.1、ISO2004
材料 閥體:不銹鋼
閥蓋:不銹鋼
閥瓣:不銹鋼
食品級隔膜:無毒橡膠
閥桿:不銹鋼
手輪:鑄鐵、不銹鋼
測試 襯里層:電火花檢測
試驗與檢驗按BS6755標準
公稱壓力:PN(MPa)
閥體:PN×1.5
密封:PN×1.1
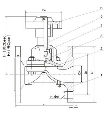
部件列表:1.閥體 2.隔膜 3.閥瓣 4.閥桿 5.閥蓋 6、手輪

SEG41W衛生級隔膜閥主要外形尺寸
| DN |
公稱壓力 MPa |
工作壓力 MPa |
L | D | D1 | n-Фd | f | H1 | H2 | D0 | 質量 Kg |
| 15 | 1.6 | 1.6 | 108 | 95 | 65 | 4-14 | 2 | 84 | 92 | 66 | 2 |
| 20 | 117 | 105 | 75 | 4-14 | 2 | 93 | 105 | 66 | 3 | ||
| 25 | 127 | 115 | 85 | 4-14 | 2 | 100 | 112 | 66 | 4 | ||
| 32 | 146 | 140 | 100 | 4-18 | 2 | 127 | 144 | 96 | 6.5 | ||
| 40 | 159 | 150 | 110 | 4-18 | 2 | 136 | 156 | 96 | 7.5 | ||
| 50 | 190 | 165 | 125 | 4-18 | 2 | 151 | 177 | 96 | 10.5 | ||
| 65 | 1.0 | 1.0 | 216 | 185 | 145 | 4-18 | 2 | 183 | 213 | 165 | 17.5 |
| 80 | 254 | 200 | 160 | 8-18 | 2 | 190 | 230 | 230 | 25.5 | ||
| 100 | 305 | 220 | 180 | 8-18 | 2 | 242 | 285 | 280 | 36 | ||
| 125 | 356 | 250 | 210 | 8-18 | 3 | 285 | 348 | 280 | 47.5 | ||
| 150 | 406 | 285 | 240 | 8-22 | 3 | 353 | 431 | 368 | 74 | ||
| 200 | 0.6 | 521 | 340 | 295 | 8-22 | 3 | 445 | 537 | 483 | 143 |