相關產品:
保溫球閥
氣動三通球閥
蝸輪固定球閥
電動對夾式球閥
全鍛鋼高壓硬密封球閥
精小型氣動O型切斷球閥
電子式電動O型球閥
氣動O型切斷球閥
電動O型調節球閥
氣動保溫球閥
襯氟球閥
外螺紋球閥
不銹鋼法蘭球閥
高壓焊接球閥
廣式內螺紋球閥
三通四密封球閥
三片式承插焊球閥
法蘭三通球閥
廣式法蘭球閥
法蘭放料球閥
鍛鋼硬密封球閥
三片式對焊球閥
三片式法蘭球閥
三片式球閥
二片式球閥
一片式球閥
對夾式薄型球閥
電動三通球閥
保溫縮徑球閥
超薄型對夾保溫球閥
對夾式保溫球閥
氣動固定球閥
蝸輪浮動法蘭球閥
螺紋不銹鋼三通球閥
不銹鋼整體高溫球閥
氣動浮動不銹鋼球閥
電動硬密封V型調節球閥
電動固定球閥
鍛鋼固定球閥
Q944F/Q945F電動三通球閥概述:
Q944F/Q945F電動三通球閥是由角行程電動執行機構和三通球閥組成,是一種旋轉類電動切斷調節閥門。電動三通球閥有L型和T型兩種結構形式,采用控制閥芯旋轉角度,改變閥芯孔道與管道口的連接狀態,可實現對三條支管不同的組合控制。兩閥座密封電動三通球閥具有結構緊湊、外型美觀、密封性能好等特點。能實現對管道中介質流向的切換。也能使相互垂直的兩個通道連通或關閉。四閥座密封三通球閥具有造型美觀、結構緊湊合理。不僅可實現介質流向的切換,也可使三個通道相互連通,現時也可關閉任一通道,使另外兩個通道連通,靈活控制管路中介質的合流或分流。具有關閉嚴密,結構緊湊,重量輕,維修方便等優點。三通球閥流通能力大,適用于密封要求較嚴格的場合。可控制氣體、液體、蒸汽,更適用于控制高粘度,纖維顆粒狀的流體。
Q944F/Q945F電動三通球閥原理:

L型電動三通球閥適用于介質流向的切換,能使相互垂直的兩個通道連通:T型電動三通球閥適用于介質的分流、合流或流向 切換,T型孔道可以使三個通道互相連通或使其中兩個通道連通,電動三通球閥一般采用三個閥座結構,亦可根據用戶要求采用四閥座結構。
Q944F/Q945F電動三通球閥技術參數:
| 公稱通徑DN(mm) | 15 | 20 | 25 | 32 | 40 | 50 | 65 | 80 | 100 | 125 | 150 | 200 |
| 允許壓差(MPa) | ≤公稱壓力 | |||||||||||
| 動作范圍 | 0~90° | |||||||||||
| 閥體形式 | 二段分體式鑄造閥體 | |||||||||||
| 閥蓋形式 | 整體式 | |||||||||||
| 壓蓋型式 | 螺栓壓緊式 | |||||||||||
| 密封填料 | V型聚四氟乙烯填料、含浸聚四氟乙烯石棉填料、石棉紡織填料、石墨填料 | |||||||||||
| 連接方式 | 法蘭式、螺紋式(適用于1/2"~2") | |||||||||||
| 閥芯形式 | 三通球型閥芯 | |||||||||||
| 流量特性 | 近似快開特性 | |||||||||||
| 泄露量Q | 軟密封:零泄露;金屬密封:按GB/T4213-92,小于額定KV0.01% | |||||||||||
| 基本誤差 | ±1% | |||||||||||
| 回差 | ±1% | |||||||||||
| 死區 | ≤1% | |||||||||||
| 配置執行器型號 | CHR、3810R、DZW、HQ、PSQ電動執行機構 | |||||||||||
| 控制方式 | 開關到位燈(開關兩位控制)、無源觸點信號、1/5K電位計、智能調節(4~20mA模擬量信號控制) | |||||||||||
Q944F/Q945F電動三通球閥性能參數:
| 電源電壓 | AC220/380V,50/60Hz |
| 輸出力矩 | 50N·M~2000N·M |
| 動作范圍 | 0~90° 0~360° |
| 動作時間 | 15秒/30秒/60秒 |
| 保護裝置 | 過熱保護 |
| 環境溫度 | -30°~60° |
| 手動操作 | 同附帶手柄操作 |
| 限位 | 電氣、機械二重限位 |
| 防護等級 | 相當于IP-65 |
| 防爆等級 | ExdII BT4;特殊要求可定制ExdII BT6 |
| 位置測量 | 可選裝開關或電位計 |
| 驅動電機 | 8W/E |
| 進線接口 | PE1/2〞進線線鎖 |
Q944F/Q945F電動三通球閥零件材質 :
| 三通球閥通徑mm | DN15-DN300 | |||
| 材料代號 | C(WCB) | P(304) | R(316) | |
| 主要零件 | 閥體 | WCB | ZG1Cr18Ni9Ti | ZG1Cr18Ni12Mo2Ti |
| 球體 | 2Cr13、(304) | 1Cr18Ni9Ti | 1Cr18Ni12MoTi | |
| 閥桿 | 2Cr13 | 1Cr18Ni9Ti | 1Cr18Ni12MoTi | |
| 閥座密封 | 增強聚四氟乙烯、對位聚苯、硬質合金鋼密封 | |||
| 填料 | 聚四氟乙烯、柔性石墨 | |||
| 適用工況 | 適用介質 | 蒸汽、水、油品 | 硝酸堿類腐蝕性介質 | 醋酸類腐蝕性介質 |
| 適用溫度 | 聚四氟乙烯≤180℃,對位聚苯≤300℃,金屬密封≤425℃ | |||
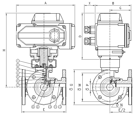
Q944F/Q945F電動三通球閥外形尺寸

| 公稱通徑DN(mm) | 15 | 20 | 25 | 32 | 40 | 50 | 65 | 80 | 100 | 125 | 150 | 200 | |
| L | 150 | 150 | 180 | 200 | 220 | 240 | 260 | 280 | 320 | 380 | 440 | 550 | |
| L1 | 75 | 75 | 90 | 100 | 110 | 120 | 130 | 140 | 160 | 190 | 220 | 275 | |
| H | 配HR | 275 | 280 | 287 | 312 | 312 | 325 | 335 | 365 | 400 | 420 | 440 | 470 |
| 配HQ | 360 | 370 | 380 | 392 | 392 | 415 | 425 | 445 | 490 | 510 | 530 | 560 | |
| W | 157 | 157 | 157 | 157 | 208 | 208 | 256 | 256 | 256 | 256 | 256 | 256 | |
| PN1.6MPa法蘭連接尺寸 | |||||||||||||
| D | 95 | 105 | 115 | 140 | 150 | 165 | 185 | 200 | 220 | 250 | 285 | 340 | |
| D1 | 65 | 75 | 85 | 100 | 110 | 125 | 145 | 160 | 180 | 210 | 240 | 295 | |
| D2 | 46 | 56 | 65 | 76 | 84 | 99 | 118 | 132 | 156 | 184 | 211 | 266 | |
| n-φd | 4-14 | 4-14 | 4-14 | 4-18 | 4-18 | 4-18 | 4-18 | 8-18 | 8-18 | 8-18 | 8-22 | 12-22 | |
| PN2.5MPa法蘭連接尺寸 | |||||||||||||
| D | 95 | 105 | 115 | 140 | 150 | 165 | 185 | 200 | 235 | 270 | 300 | 360 | |
| D1 | 65 | 75 | 85 | 100 | 110 | 125 | 145 | 160 | 190 | 220 | 250 | 310 | |
| D2 | 46 | 56 | 65 | 76 | 84 | 99 | 118 | 132 | 156 | 184 | 211 | 274 | |
| n-φd | 4-14 | 4-14 | 4-14 | 4-18 | 4-18 | 4-18 | 8-18 | 8-18 | 8-22 | 8-26 | 8-26 | 12-26 | |
| PN4.0MPa法蘭連接尺寸 | |||||||||||||
| D | 95 | 105 | 115 | 140 | 150 | 165 | 185 | 200 | 235 | 270 | 300 | 375 | |
| D1 | 65 | 75 | 85 | 100 | 110 | 125 | 145 | 160 | 190 | 220 | 250 | 320 | |
| D6 | 40 | 51 | 58 | 66 | 76 | 88 | 110 | 121 | 150 | 176 | 204 | 260 | |
| n-φd | 4-14 | 4-14 | 4-14 | 4-18 | 4-18 | 4-18 | 8-18 | 8-18 | 8-22 | 8-26 | 8-26 | 12-30 | |
| PN6.4MPa法蘭連接尺寸 | |||||||||||||
| D | 105 | 130 | 140 | 155 | 170 | 180 | 205 | 215 | 250 | 295 | 345 | 415 | |
| D1 | 75 | 90 | 100 | 110 | 125 | 135 | 160 | 170 | 200 | 240 | 280 | 345 | |
| D6 | 40 | 51 | 58 | 66 | 76 | 88 | 110 | 121 | 150 | 176 | 204 | 260 | |
| n-φd | 4-14 | 4-18 | 4-18 | 4-22 | 4-22 | 4-22 | 8-22 | 8-22 | 8-26 | 8-30 | 8-33 | 12-36 | |
Q944F/Q945F電動三通球閥訂貨須知:
訂貨時若未確定型號,請盡量提供以下參數由我們技術人員為您選型。
1.電動三通球閥型號名稱。
2.電動三通球閥口徑DN、壓力PN。
3.電動三通球閥零件材質。
4.電動三通球閥使用介質及溫度。
5.電動三通球閥其它技術要求。
如已選定電動三通球閥型號,請按照型號直接向我公司銷售部門來電訂購。